My Store:
Change Store
Promotions

Idler Pulleys

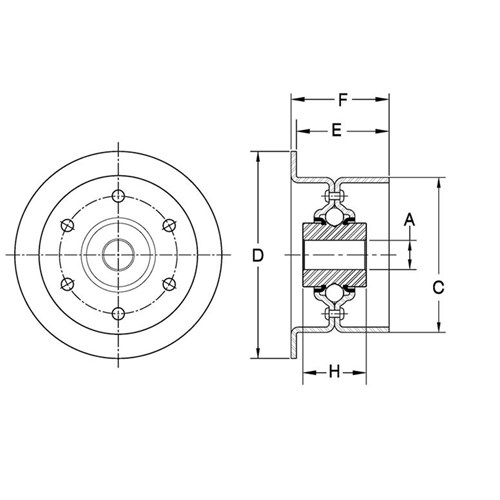
IDLER PULLEY FLAT 2-3/4 X 1/2

AETNA FLAT FLANGED IDLER FACE OD = 2.75" WIDTH = 1.687"

Product Code: AG2365A
$128.00
EACH inc GST
Afterpay Logo
4 payments of $32.00  
In Stock Low Stock Out of Stock Please See Attributes 23
Increase value Decrease value

  • Detail
Aetna Single Flanged Flat Belt Idler. Generally used as tighteners or direction changers. Permanently lubricated and sealed against grime and dirt. Fit into existing design with little or no engineering changes, or readily adapted to new designs.

Secure Payment: