My Store:
Change Store
Promotions

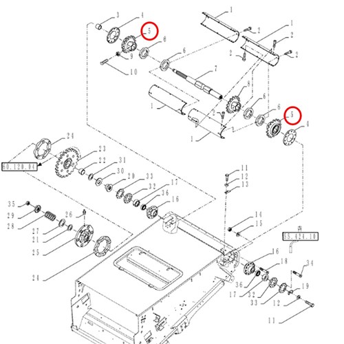
NEW HOLLAND FEEDER SPRKT OUTER

A557 X 12T X 1-3/4 HEX CR960/ 970/TR85/86/87/88/89/95/96/97

Product Code: WI80
$353.00
EACH inc GST
Afterpay Logo
4 payments of $88.25  
In Stock Low Stock Out of Stock Please See Attributes 19
Increase value Decrease value

  • Detail
  • Interchange

New Holland® Compatible Feeder House Outer Sprocket


Keep your product feeding system in top condition with this premium Australian-made feeder house outer sprocket. Specifically engineered for New Holland® TR and CR series combine harvesters, this extended wear component ensures smooth operation and a longer life for your intake assembly.

Manufactured by C&M in our Griffith factory, this sprocket is a precision-machined direct-fit replacement for your front feeder house drive. By replacing worn or "hooked" sprockets with this grade 1045 billet assembly, you maintain precise feeder chain timing and protect your feeder house driveline from unnecessary vibration.

New Holland® OEM Cross-Reference

Replaces OEM Part Numbers: 766379, 618705

Feeder House Outer Sprocket for New Holland CR9060, CR980, TR88, TR99 Models
Series Models Year Range
New Holland CR90 Series CR9040, CR9060, CR9070, CR9080, CR9090 (Elevation) 2006 – 2011
New Holland CR9 Series CR940, CR960, CR970, CR980 2001 – 2006
New Holland TR Series TR75, TR85, TR86, TR87, TR88, TR89 1975 – 2002
New Holland TR Series TR95, TR96, TR97, TR98, TR99 1979 – 2002

Technical Specifications & Features

  • Quality Assurance: Proudly C&M Australian made to keep your equipment in top condition.
  • Material: Machined from a single piece of high-grade 1045 billet for extended wear.
  • Location: External/Outer feeder house chain drive sprocket.
  • Precision Alignment: Precision timed during manufacturing for perfect chain tracking.
  • Finish: Electroplated coating for longer life and corrosion resistance.
  • Available for fast Australia-wide dispatch from Collier & Miller.

Expert Maintenance Review

To keep your product feeding system in top condition, we recommend replacing these sprockets in complete timed sets across the feeder house shaft.

Recommended Maintenance Upgrade

To ensure maximum product feeding efficiency, we highly recommend inspecting your Feeder House Chains for wear whenever new drive sprockets are installed.

766379

Secure Payment:

Related Products

$2365.00
(EACH) Made To Order  
Increase value Decrease value
$350.00
(EACH) In Stock Low Stock Out of Stock Please See Attributes 14  
Increase value Decrease value